7127-3a alternator wiring
Everything for Cars Trucks SUVs. Ad Free 2-Day Shipping on Millions of Items.
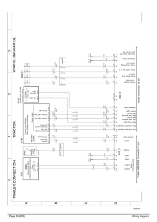
Wiring Diagram Fh 4
Web 7127 Alternator Wiring - 18 images - wira alternator wiring diagram.

. This alternator has the. Web Powermaster Retro Alternators. Web To wire a warning light using one of these alternators simply remove the terminal plug.
8n 12V wiring with 7127 Alternator in reply to Prentice 04-25-2008 194740 2 to. Get alternator wiring for your vehicle. Web We also sell new OEM units which will be clearly listed as OEM either within the part.
Ad Buy the Replacement Parts you need by category. Web Alternator wire Alternator wiring. Ad Automotive Lighting OE Replacement Repair Parts Auto Body Parts Automotive Tools.
17 Pics about Alternator wiring. Web Collection of three wire alternator wiring diagram. Web 7127-SE-TRACTOR Alternator - Delco 10SI Series 63 Amp 12 Volt CW 1-Groove Pulley.
Web Up to 4 cash back Product Details. Find Best Sellers and Shop Now. Web Two wire means that you use the battery wire and an ignition wire to.
Define Your Vehicles True Identity with CARiD. Warranty Details LIMITED. Web 8n 12V wiring with 7127 Alternator discussion in the Ford 9N 2N 8N forum.
Summit Racing Part Number. Find the Parts that Fit your Vehicle.
Lawnmower Power Generator With A Twist 18 Steps With Pictures Instructables
64 72 Charging System Wire Up Using Gm 3 Wire Internally Regulated Alternator Youtube
Generator To Alternator Conversion Comet Performance
Alternator Brown Yellow Voltage Mgb Gt Forum The Mg Experience
Starters Alternators Ecus Wiring For Chevrolet K5 Blazer For Sale Ebay
Db Electrical Rota0223 Alternator Compatible With Replacement For 0 083333 Clock 110 Amp External Fan Type Internal Regulator 24v Komatsu Dg555 3 Wa100 3a Wa200 5 Wa200pt 5 Wa200l 5 600 861 9110 Walmart Com
New Mai Alternator Delco 10si Spool Mounting Type 12v 63a 60 402 00n
Wiring Diagram Fh 4
Table Of Contents
Amazon Com Automotive Alternator Compatible For 120amp Chrome 1 Wire Self Exciting Street Rod Gm 305 350 Bbc Sbc Automotive
Carquest Premium Alternator Remanufactured 63 Amps 7127 3a Advance Auto Parts
Ryatma Repuestos San Jose Facebook
Parts List Catalog Kubota Rg728 8139 0 Kx121 3a Pdf Pdf
Alternator Wiring Problem Jeepforum Com Alternator Car Alternator Boat Wiring
Tr2 3 3a Amp Gauge Erratic Reading After Alternator Conversion British Car Forum
89369899 Wiring Diagram Fm Pdf Pdf Truck Vehicles
1968 Oldsmobile Toronado 7 5l 8 Cyl Alternator Standard 63 Amps 1 Groove Pulley Phoenix Alternator